欢迎光临~专业生产耐高温可控硅-双向可控硅厂家-单向可控硅-150°C晶闸管-可控硅生产厂家-质量保证-HXW品牌-东莞市环昕微实业有限公司官网-值得信赖
语言选择: 中文版 ∷  英文版

行业新闻

双向可控硅如何用在风扇调速开关红外遥控器线

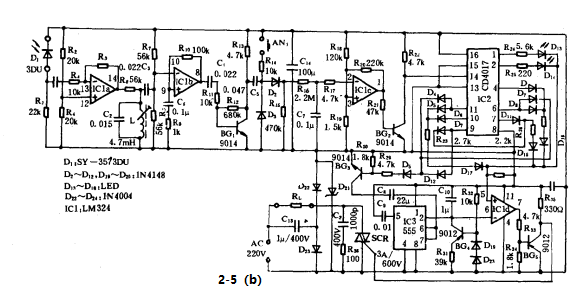
    风扇调速开关红外遥控器电路如图2—5所示。
    图2—5(a)为红外发射器电路。ICl和D1、R1、R2、C2组成低频多谐振荡器。其振荡周期为:T=0.693(R1+R2)C2。IC2和R3、R4、W1、C4、C5组成无稳态多谐振荡器。其振荡频率有两种:f1=1.44/(R3+2R4+2Rwl)C4;接入C5时:f2=1.44/(R3+2R4+2Rw1)(C4+C5)。ICl的输出脉冲控制着IC2是否振荡。
    图2-5(b)为红外接收、译码电路。ICla(LM324)和L、C2回路组成选频放大器,IClb、BG,为放大器。接收信号经检波后由R16,C7延时后加至由IClc和R17'-'R20组成的电压比较器的反射输入端。只有当信号电压超过同相端的偏置电压时,ICIc的输出才由高电平转为低电平。因此,要求发射时按压AN的时间应大于150ms。
  IC2是十进制计数器/脉冲分配器。它与BG1~BG3和IC3、ICId、BG·等组成具有恒流源的占空比可调的多谐振荡器。ICld的同相端偏置电压的高低控制着占空比。ICld的输出经BG5反相后触发SCR双向可控硅。通过控制其触发导通时间来改变交流电压的平均值达到改变电扇的转速。    ’
    对应IC2的BG1-BG5输出,风扇有五档不同风速的连续风。

联系我们

CONTACT US

联系人:刘经理

手机:18926008145

电话:0769-88461176

邮箱:style@huanxinwei.com

地址: 东莞市高埗镇高埗稍潭村理文街第A24座2号

用手机扫描二维码关闭
二维码