欢迎光临~专业生产耐高温可控硅-双向可控硅厂家-单向可控硅-150°C晶闸管-可控硅生产厂家-质量保证-HXW品牌-东莞市环昕微实业有限公司官网-值得信赖
语言选择:
∷
搜 索
Toggle navigation
导航菜单
网站首页
公司简介
产品中心
电流60A至100A双向可控硅(晶闸管)
电流25A至40A双向可控硅(晶闸管)
电流12A至20A双向可控硅(晶闸管)
电流6A至10A双向可控硅(晶闸管)
电流2A至5A双向可控硅(晶闸管)
电流0.8A至1.5A双向可控硅(晶闸管)
电流0.6A至1.5A单向可控硅(晶闸管)
电流2A至5A单向可控硅(晶闸管)
电流16A至40A单向可控硅(晶闸管)
电流6A至12A单向可控硅(晶闸管)
电流50A至75A单向可控硅(晶闸管)
电流90A至130A单向可控硅(晶闸管)
新闻中心
公司新闻
行业新闻
科技创新
下载中心
公司产品相册
可控硅封装外形展示
工厂和产线图片
在线留言
在线订购
联系我们
科技创新
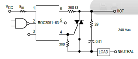
双向可控硅应用交流开关
上一篇:
双向可控硅在调速和调光开关中应用
下一篇:
BTA41-800B双向可控硅触发线路图
相关新闻
BTA41-800B双向可控硅触发线路图
2020-07-27
双向可控硅应用交流开关
2020-07-27
双向可控硅在调速和调光开关中应用
2020-07-27
MAC97A8和MAC97A6可控硅调光调速线路
2020-07-27
三象限双向可控硅优点
2020-07-27
可控硅触发电流温度特性及其最佳选择
2020-07-27
栏目导航
公司新闻
+
行业新闻
+
科技创新
+
新闻中心
BTA41-800B双向可控硅触发线路图
2020-07-27
双向可控硅应用交流开关
2020-07-27
双向可控硅应用吸尘器的电路
2020-07-27
双向可控硅应用洗衣机电路
2020-07-27
双向可控硅遥控电风扇的应用电路
2020-07-27
联系我们
CONTACT US
联系人:刘经理
手机:18926008145
电话:0769-88461176
邮箱:style@huanxinwei.com
地址: 东莞市高埗镇高埗稍潭村理文街第A24座2号
分享
手机
分类
顶部
关闭
环昕微实业
关闭
用手机扫描二维码
关闭